|
rustic
retreats
|
 |
designed
4
living
in the most beautiful places
|
|
|
|
|
|
|
|
|
|
|
| Domestic Water Supply - cold water systems from € 250 |
|
|
|
|
|
|
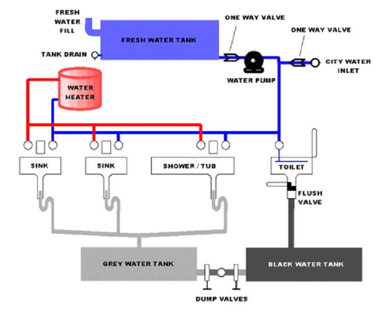
In an off-grid system, the aim is to source all water from a Rain Harvested Water Supply (RHWS).
|
|
|
All water comes from either rain-water harvesting or from an external supply. In an off-grid system, the water usually comes from a Rain Harvested Water Supply (RHWS) above ground which means the water must pass through a geo-thermal, temperature stabiliser between the RHWS and the house. A geo-thermal water temperature stabiliser can simply be a 100m length of water tubing buried underground. There is no need to do this if the supply comes from tubes already buried underground. The water supplied to the house is called the domestic supply (DS).
There are 4 different types of domestic water systems required for a fully off-grid home;
1. Cold Water: for sink basins and toilets. 2. Solar Hot Water: for sink basins, showers and washing machines. 3. Biomass Hot Water: for sink basins, showers and washing machines. 4. Drinking Water: drinking water comes from a fully filtered DS or supplied manually via a local fountain or spring suitable for drinking. |
|
|
|
|
|
|
|
|
|
|
| DOMESTIC WATER SUPPLY |
|
|
| The photos presented on this page are intended as a resource for ideas when considering design options for your off-grid project. They represent what we believe to be an excellent balance between function, cost, attractive design, practical build and low maintenance considerations. |
|
|
|
|
|
|
|
|
|
|
|
|
|
|
|
|
|
|
|
|
|
|
|
|
All
work undertaken by us makes greatest use of locally sourced, natural
materials with minimal use of cement, plastic and imported products. We
strive to ensure our project solutions are as low-impact
and carbon neutral as possible - function, form and longevity
in perfect harmony.
|
|
|
|
For further information, send an email to rustic-retreats@live.com, or alternatively, leave a nessage with our international answering service on
|
|
|
|
|
|
|
|
|
|
|
|
|
|
|
|
|
|